Novos Produtos
VÁLVULA PROPORCIONAL PARA PÁ CARREGADEIRA DIANTEIRA DE TRATOR - OPEN CENTER LVM92 EHP
| Informações técnicas | |
|
Fornecedor: |
Turquia |
|
Devolução ou troca: |
14 dias |
|
Garantia: |
6 meses |
|
Tipo: |
CENTRO ABERTO |
|
Pressão de trabalho: |
250 bar |
|
Vazão nominal: |
90 lit/min |
|
Rosca de conexão: |
1/2" |
|
Número de seções: |
2 |
Descrição
LVM92-EHP é uma válvula monobloco projetada para carregadores frontais de tratores, oferecendo excelentes características de operação proporcional e fácil instalação. Possui vazões de até 90 l/min e pressões de operação de até 250 bar.
A válvula oferece controle totalmente eletroproporcional, incluindo a função flutuação, independentemente da carga e das condições de operação.
O kit inclui a válvula, um joystick de controle proporcional e a fiação elétrica.
Aplicação

Para o funcionamento correto do sistema, siga cuidadosamente todos os passos abaixo:
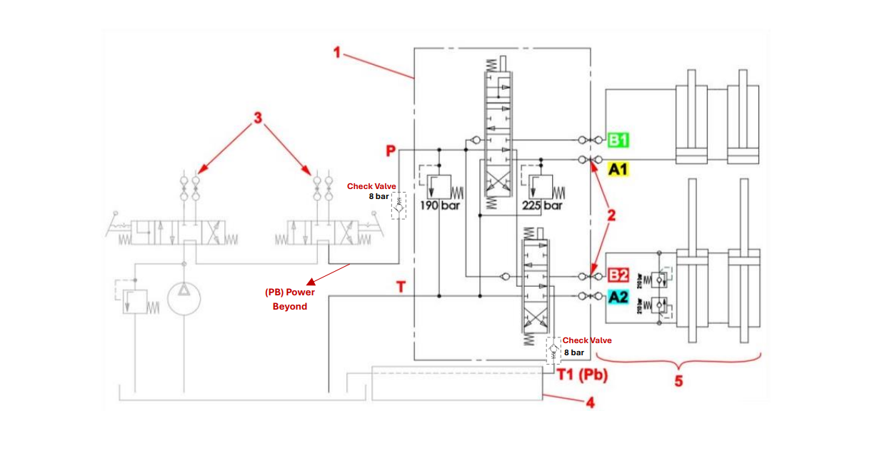
- Faça a conexão conforme mostrado acima.
- Certifique-se de que o acumulador hidráulico está corretamente conectado.
- Verifique se a pressão de entrada não excede 250 bar.
- Garanta que a vazão nominal seja de 90 l/min.
- Verifique se as conexões nas portas B1, A1, A2 e B2 estão corretamente conectadas.
- Assegure que a linha de drenagem (vazamento) esteja corretamente conectada.
- Verifique se as linhas T (tanque) e P (pressão) estão conectadas e operando corretamente.

- Se houver duas válvulas na linha hidráulica, conecte a saída carry-over da primeira válvula à entrada de pressão da segunda válvula.
- Se for usada apenas uma válvula, conecte a saída carry-over da válvula diretamente ao tanque.


O diagrama mostra um sistema hidráulico CENTRO ABERTO:
1. Válvula proporcional (LVM92 EHP) do lado direito da interface de engate.
2. Interface para carregador frontal do trator.
3. Válvulas hidráulicas já instaladas no trator podem ser usadas para outros consumidores.
4. Outras válvulas ou válvulas auxiliares.
5. Carregador frontal do trator.
Três linhas hidráulicas (P, T1, T) conectam a válvula proporcional CENTRO ABERTO ao sistema hidráulico do trator:
- P – linha de pressão
- T – linha de retorno (tanque)
- T1 – encaminhamento de pressão (Power Beyond – "PB") + válvula de retenção com mola de 8 bar

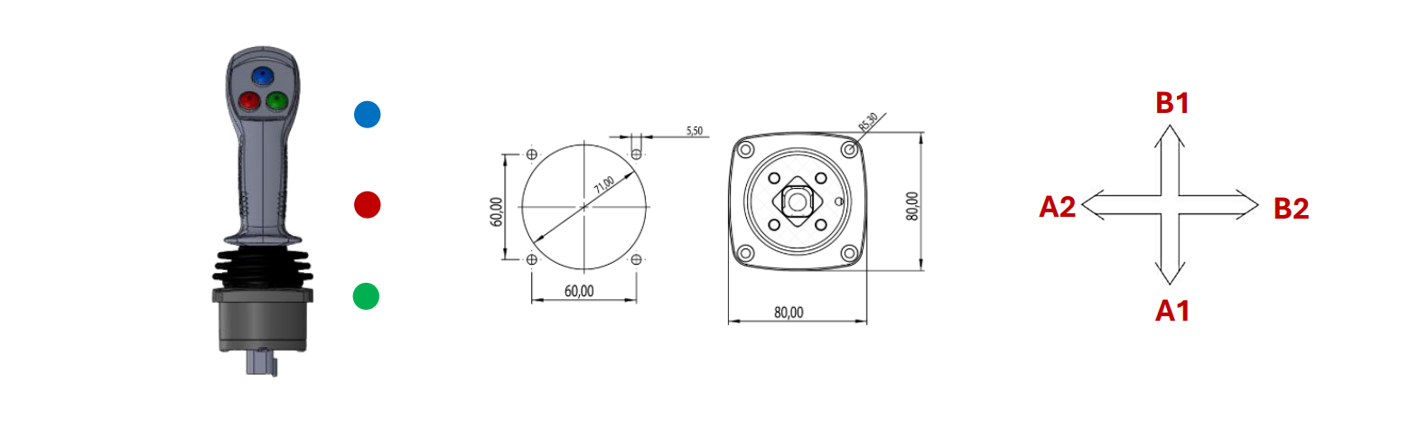
Conecte a válvula conforme mostrado acima:
- Certifique-se de que a tensão do sistema é 12 V.
- Verifique se o cabo de alimentação está conectado corretamente.
- O sistema deve incluir um cabo de malha e um resistor de 120 ohms.
- Após conectar o joystick, certifique-se de que os LEDs ACAS acendam em verde.
- Verifique se todos os cabos estão firmemente e corretamente conectados.

- Botão AZUL: válvula de controle direcional 6/2 (botão momentâneo)
- Botão VERMELHO: função flutuação (botão com travamento)
- Botão VERDE: lento/rápido (botão com travamento)
Função flutuação: Mova o joystick na direção B1 (descida). Enquanto o joystick estiver na posição B1, pressione o botão de flutuação (FLOAT) para ativar o modo flutuação. Aviso: Não realize esta operação quando o carregador estiver elevado demais.









