Novos Produtos
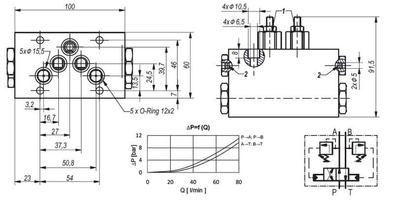
VÁLVULA HIDRÁULICA ROTATIVA MECÂNICA PARA TRANSPORTADOR DE ESTERCO CETOP5 4/2 RHA
Código do produto:
13533
OEM:
9990000095773
Taxa de imposto
22 %
Preço sem IVA:
139,34 EUR
Preço com IVA:
170,00 EUR
Ref:
11
Descrição:
Válvula rotativa hidráulica para transportador de esterco - KRT. Adequada para base CETOP5.
Fornecedor:
Itália
Devolução ou troca:
14 dias
Peso do produto:
2.50 kg
Garantia:
6 meses
Filtração:
25µ
pressão ajustável máxima:
50 - 200 bar
fluxo máximo ajustável:
5 - 80 l/min






