Novos Produtos
VÁLVULA HIDRÁULICA P81 AUTOMÁTICA PARA DIVISOR DE MADEIRA
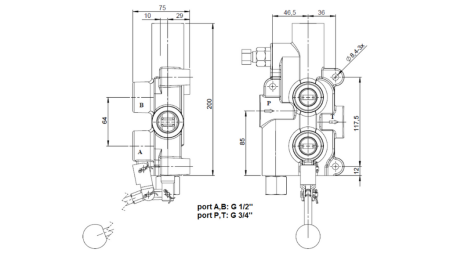
| Informações técnicas | |
| Fornecedor: | Bulgária |
| Devolução ou troca: | 14 dias |
| Garantia: | 6 meses |
| Vazão nominal de óleo: | 80 l/min |
| Curso do fuso: | ± 7,9 mm |
| Faixa de temperatura de operação: | de −40 °C a +60 °C |
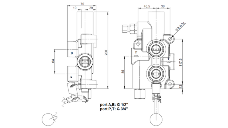
| Rosca de conexão: | Porta P e T – 3/4", porta A e B – 1/2" |
| Pressão máxima: | Porta P – 250 bar, porta T - 50 bar, porta A e B – 300 bar |
| Válvula de alívio de segurança: | ajustada de fábrica em 150 bar |
Descrição
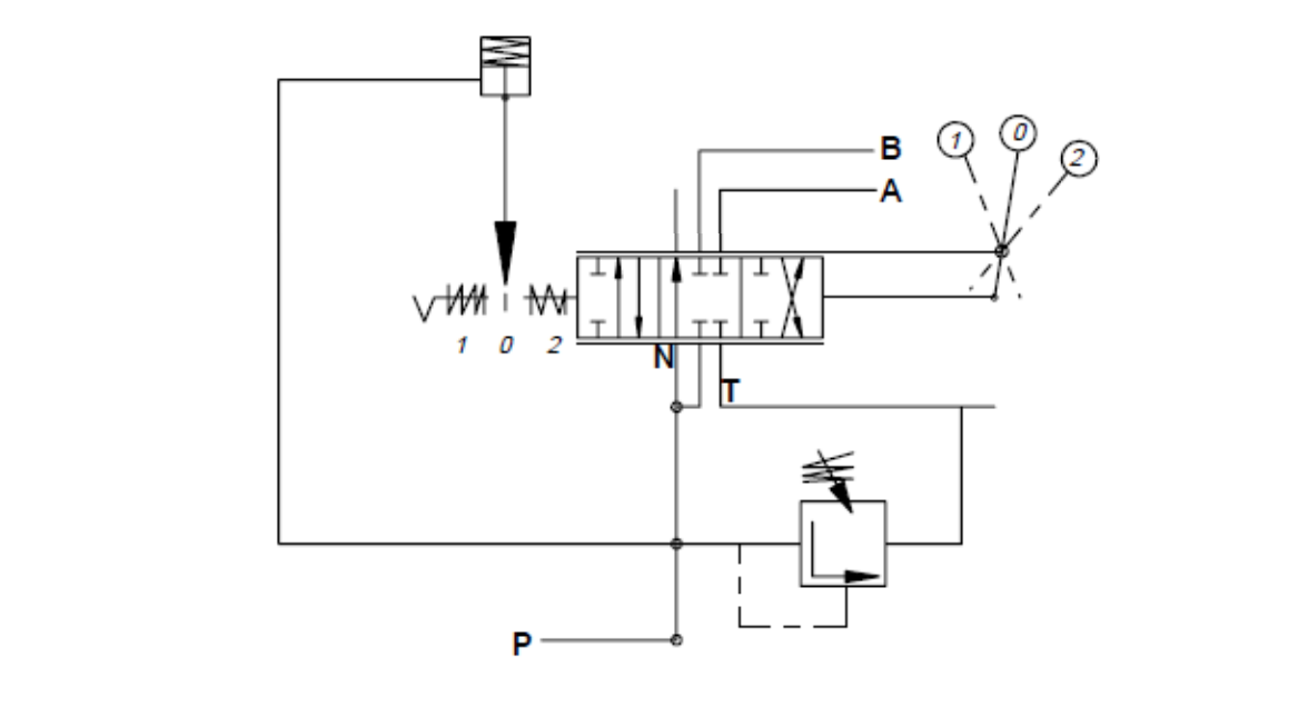
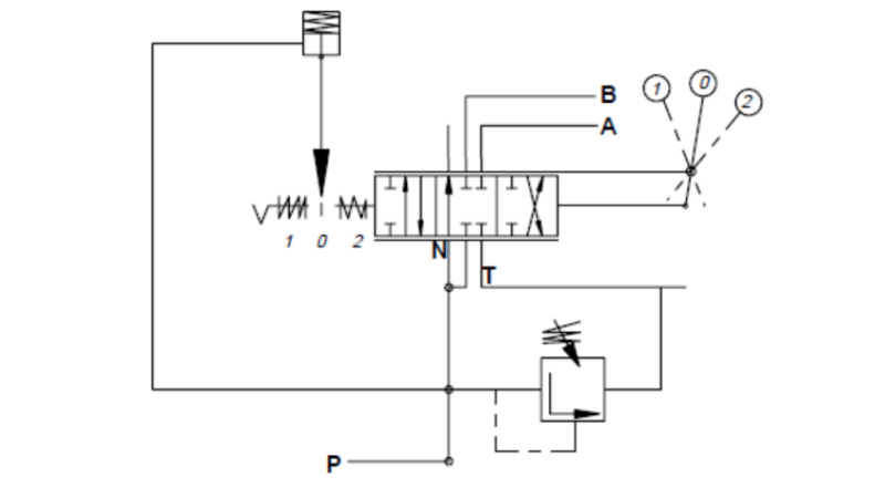
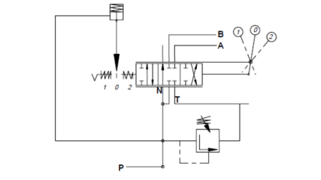
A válvula hidráulica P81 foi projetada para uso em divisores de toras. Possui operação por retorno por mola em uma direção e um sistema de pressão kick-out na direção oposta, retornando automaticamente a alavanca à posição neutra. A válvula P81 também inclui uma válvula de alívio de segurança ajustável manualmente.
Pino de pressão kick-out
O sistema de pressão kick-out permite que a alavanca seja liberada e retornada à posição neutra. Quando o carrete é movido manualmente para a posição de pressão kick-out, o óleo é direcionado para a seção "B". Quando a pressão na seção "B" excede o valor ajustado, o pino de pressão kick-out libera a alavanca de controle e a retorna para a posição neutra. A configuração de fábrica para a função kick-out é 70 bar.
AVISO: Se o pino de pressão kick-out for ajustado para uma pressão muito alta, a alavanca não retornará para a posição neutra. Se a pressão for ajustada muito baixa, o pino de pressão kick-out não manterá a alavanca na posição pronta para kick-out.
Válvula de alívio de pressão ajustável – a configuração padrão de fábrica da válvula de alívio de pressão é 150 bar.
A alavanca da válvula pode ser orientada para “cima” ou “baixo” dependendo da posição de montagem da máquina. Isso é feito facilmente girando a alavanca em 180°. Todos os pinos são fixados com segurança usando pregos de cotovelo DIN 94.












