Novos Produtos
VÁLVULA HIDRÁULICA HIAB 8XPC70 + 2X JOYSTICK EURO 3 POSIÇÕES
Código do produto:
20210
OEM:
9990000086542
Taxa de imposto
22 %
Preço sem IVA:
942,62 EUR
Preço com IVA:
1.150,00 EUR
Ref:
12
| Informações técnicas | |
| Fornecedor: | Bulgária |
| Devolução ou troca: | 14 dias |
| Garantia: | 6 meses |
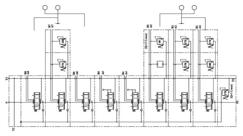
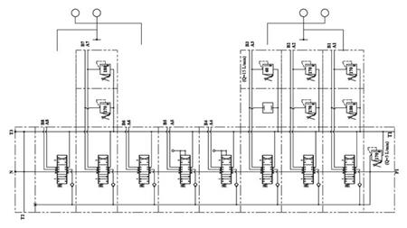
| Vazão nominal de óleo: | 70 l/min |
| Vazão máxima de óleo: | 80 l/min |
| Faixa de temperatura de operação: | de -20 °C a +60 °C |
| Rosca de conexão: | Porta A, B e P 1/2", Porta T - 3/4" |
| Pressão máxima: | Porta P – 250 bar, Porta T - 50 bar, Porta A e B – 300 bar |
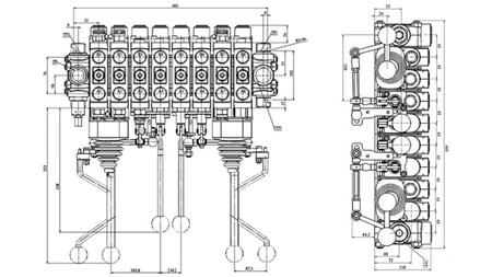
| Peso: | 33,5 kg |
Descrição
O PC70 é uma válvula empilhável (seccional) projetada para uso em trailers florestais com guindaste (HIAB). Permite controle apenas mecânico. A válvula hidráulica consiste em oito seções.














