Novos Produtos
VÁLVULA DE FREIO HIDRÁULICA PROPORCIONAL PARA TRATOR - SISTEMA DE ÓLEO
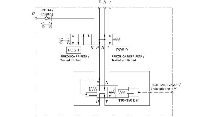
Descrição:
A válvula de freio hidráulica proporcional para trator é um componente através do qual podemos frear sincronicamente o reboque com o trator. A válvula é instalada no trator, que se conecta à hidráulica e às válvulas direcionais e ao sistema de freio existente. A válvula de freio é controlada diretamente pela pressão de freio do trator. Sem pressão no sistema hidráulico Y (sistema de freio do trator), R está conectado a T (tanque) e P está conectado a N (excesso de fluxo).
À medida que o fluxo em Y aumenta, a força do fluxo ativa a mola de retorno, que fecha a conexão entre R e T e estabelece uma conexão entre R e P. Se necessário, o fluxo é reduzido entre P e N para criar pressão em R.
A válvula de Detecção de Carga (LS) é instalada em R. A pressão máxima no sistema de freio é de 130 - 150 bar.
Na primeira fase de frenagem, a válvula pode redirecionar todo o fluxo da bomba para os freios do reboque, de modo que o consumidor na conexão N pode ficar temporariamente sem óleo.
Nota sobre a instalação:
A válvula proporcional é um elemento de segurança que requer máxima atenção durante a inspeção e manutenção da válvula. Não instale a válvula antes de outros componentes de segurança (por exemplo, direção).
Normalmente, a válvula é instalada entre a bomba (com fluxo constante ou válvula de Detecção de Carga) e a válvula de controle, na qual não há outros componentes de segurança neste circuito hidráulico.










