Novos Produtos
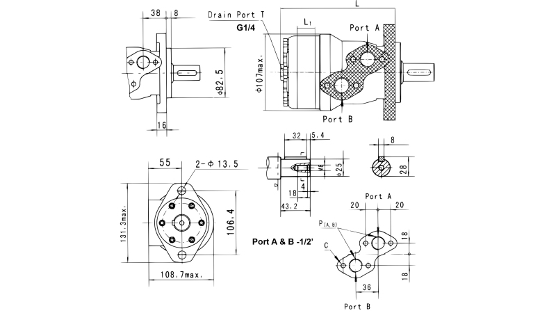
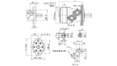
HÜDRAULILINE MOOTOR MR 25 ECO (ALSG2-L-25)
| Dados técnicos | |
| Fornecedor: | China |
| Devolução ou troca: | 14 dias |
| Garantia: | 6 meses |
| Diâmetro do eixo: | 25 mm |
| Fluxo de óleo: | fluxo constante 40 L/min, intermitente 45 L/min |
| Rosca de conexão: | 1/2" |
| Faixa de temperatura: | de -40 °C a 140 °C |
| Torque: | torque constante 3,3 daNm, intermitente 4,2 daNm |
| Rotações: | rotações constantes 1463 rpm, intermitente 1555 rpm |
| Queda de pressão: | pressão constante 100 bar, intermitente 140 bar |
| Potência: | potência constante 8,5 kW, intermitente 9,8 kW |
| cm³/rotação: | 25,2 |
| Peso: | 6,3 kg |
DESCRIÇÃO – MOTORES HIDRÁULICOS MR ECO
Os motores hidráulicos do tipo MR são compactos, robustos e confiáveis, com um design orbital. Devido à sua construção simples e alta eficiência, são adequados para uma ampla gama de aplicações.
A versão ECO mantém a qualidade e confiabilidade padrão, sendo mais acessível, pois é fabricada por produtores de confiança sem o acréscimo do prémio de marca.
São caracterizados por:
- alta deslocação em baixas rotações,
- funcionamento suave e silencioso,
- longa vida útil graças a materiais e vedantes de alta qualidade,
- possibilidade de funcionamento em ambas as direções de rotação,
- baixo consumo de óleo em relação à potência de saída,
- versão ECO: a mesma qualidade e desempenho a um preço mais baixo.
Os motores hidráulicos MR são usados principalmente em máquinas agrícolas, florestais e de construção, bem como na indústria, onde é necessária uma conversão confiável e eficiente da energia hidráulica em movimento mecânico – agora com ainda maior ênfase no uso sustentável da energia.

|
L |
L1 |
|
|
(mm) |
(mm) |
|
|
MR 50 ECO |
140 |
10 |
|
MR 80 ECO |
146 |
16 |
|
MR 100 ECO |
150 |
20 |
|
MR 125 ECO |
155 |
25 |
|
MR 160 ECO |
161,5 |
30,5 |
|
MR 200 ECO |
170 |
38,1 |
|
MR 250 ECO |
180 |
50 |
|
MR 315 ECO |
192 |
62 |
|
MR 400 ECO |
204 |
74 |


-1.png)







