Novos Produtos
DRIVE FOR HYDRAULIC PUMP - ISUZU MOY CR VACUUM
Código do produto:
12891
OEM:
9990000081240
Taxa de imposto
22 %
Preço sem IVA:
250,00 EUR
Preço com IVA:
305,00 EUR
Ref:
1
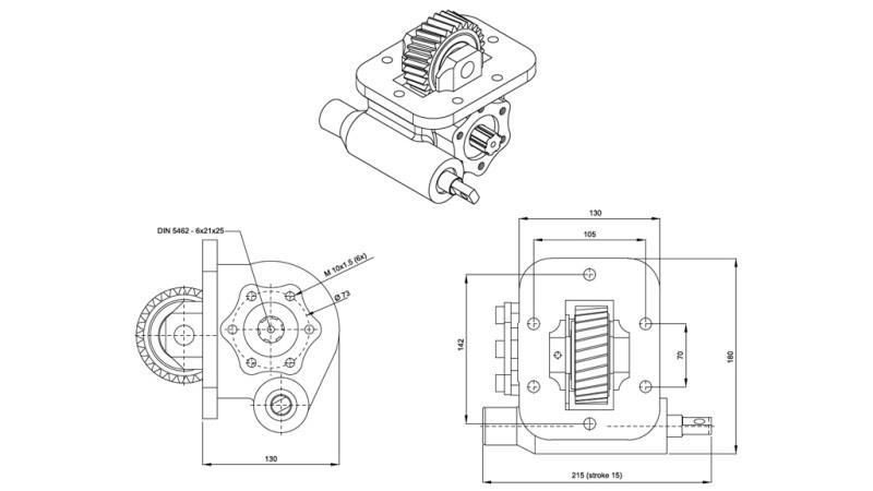
Descrição:
Os drives são adequados para veículos comerciais onde a instalação de uma bomba hidráulica é necessária. A instalação de uma bomba de ferro fundido é possível:
ISO (bomba para fixação com três (3) parafusos)
UNI (bomba para fixação com quatro (4) parafusos)
Compatível com caixas de câmbio tipo:
MOY-9F / MOY-9H / MOYCR
Adequado para veículos: Isuzu
4.3 NP 66-71-75-77 ISUZU CHAMPION (2005-2006) / NKR 250 / NKR 66 E2L
Fornecedor:
Turquia
Tipo:
ISO (3 parafusos)
Devolução ou troca:
14 dias
torque:
225 Nm
controle:
vácuo
Revoluções:
1000 rpm
Peso do produto:
13 kg
Garantia:
6 meses
montagem:
esquerda
Carga:
14.2 Hp (10.6 kW)
relação de transmissão:
1:1,03






