Novos Produtos
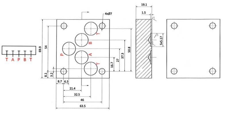
BASE FECHADA CETOP5
Código do produto:
13794
OEM:
9990000149179
Taxa de imposto
22 %
Preço sem IVA:
12,30 EUR
Preço com IVA:
15,00 EUR
Ref:
2
Descrição:
A base fechada cetop 5 substitui a válvula solenóide no distribuidor (a cega), permitindo a operação normal das unidades restantes no distribuidor.
Fornecedor:
Espanha
Devolução ou troca:
14 dias
Peso do produto:
0.69 kg
Garantia:
6 meses
Material:
aço forjado






