Novi artikli
HIDRAVLIČNA ČRPALKA 00A0.5X033 GR.0 - 0,5cc LEVA
Šifra:
14760
OEM:
9990000178896
Stopnja davka
22 %
Cena brez DDV:
61,48 EUR
Cena z DDV:
75,00 EUR
Ref:
2
Opis
Hidravlične črpalke so ključni element vsakega hidravličnega sistema, saj pretvarjajo mehansko energijo v hidravlično energijo. Uporabljajo se v številnih aplikacijah, kot so kmetijska mehanizacija, gradbeni stroji, industrijske naprave in transportni sistemi.
V naši ponudbi najdete kakovostne zobniške hidravlične črpalke različnih velikosti (GR), prostornin in izvedb, ki zagotavljajo zanesljivo delovanje, dolgo življenjsko dobo ter enostavno vgradnjo. Omogočajo stabilen pretok olja ter visoko učinkovitost in minimalne izgube, kar prispeva k optimalnemu delovanju celotnega sistema.
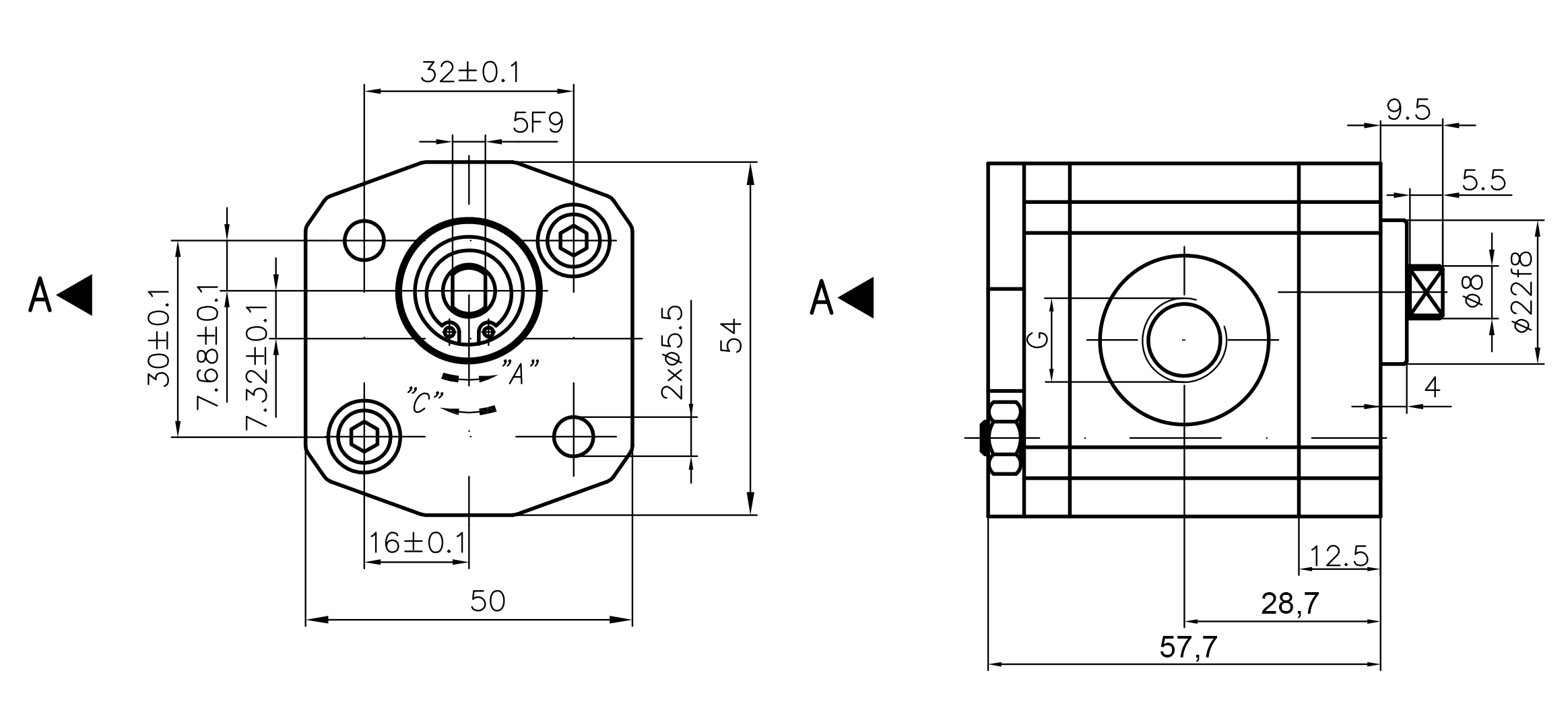
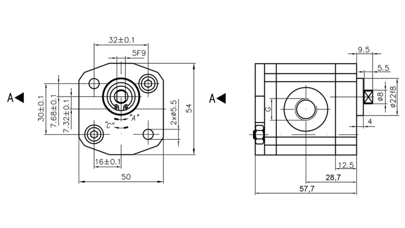
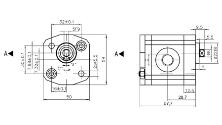
Dimenzije

Hidravlične črpalke
Oznaka:
00A0.5X033
Dobavitelj:
Turčija
Smer vrtenja:
Leva (A)
Prostornina:
0,5 cm3/vrt
Vračilo ali menjava:
ni možno
Priključni navoj:
1/4" (vhodni in izhodni)
Velikost:
GR.0
Vrtljaji:
max. 3500 rpm
Garancija:
6 mesecev
Nazivni tlak:
200 bar
Pretok:
0,7 l/min pri 1500 vrt/min in 1,6 l/min pri max. vrt/min









