Novi artikli
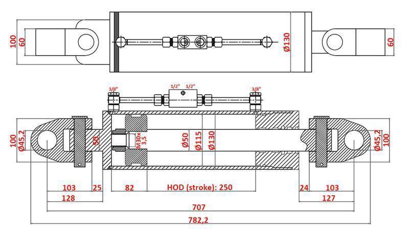
HIDRAVLIČNA POTEZNICA SPECIAL - 4 KAT. 115/50-250 (180-380HP)(45,2mm)


| CAT. 4 (45,2/32,4 mm) | |||||||||
| A | B | C | M | L | E | F | D (hod) | G | |
| 115/50-250 | 115 | 130 | 50 | 100 | 45,2 | 707 → 957 | 128 | 250 | 3/8'' |
| 115/50-250 | 115 | 130 | 50 | 100 | 32,4 | 750 → 1000 | 128 | 250 | 3/8'' |
Hidravlična poteznica
je v osnovi običajni dvostransko delujoči hidravlični cilinder s privarjenimi priključki za montažo med traktorjem in traktorskim priključkom. Vsekakor gre za nadgradnjo traktorja, v kolikor je nima že v osnovi. Naše hidravlične poteznice so korozijsko zaščitene z cinkanjem. Vse hidravlične poteznice imajo nameščen tudi blok ventil, ki služi za varnost. V primeru poškodbe hidravlične cevi, cilinder poteznice ostane na enakem mestu, s tem pa posledično tudi traktorski priključek. Blok ventil prav tako služi, da cevi, kljub vibracijam med vožnjo, niso pod pritiskom, s tem pa se hidravlični ventil na traktorju ne obremenjuje.
Najpogostejši tipi hidravličnih poteznic:
- STANDARD hidravlična poteznica
(na obeh straneh ima privarjen očesni ležaj)

- AVTOMATSKA hidravlična poteznica
(na batnici ima za traktorski priključek nameščeno avtomatsko hitro vpenjalno kljuko za kroglo)

- SPECIAL hidravlična poteznica
(gre za avtomatsko poteznico, ki pa ima na cilindru namesto očesnega ležaja navarjeno specialno kljuko, ki omogoča večje gibanje poteznice v levo ali desno smer)

- NAVOJNA hidravlična poteznica
(dolžino poteznice lahko podaljšate še za dolžino navoja)

Uporaba hidravličnih poteznic:
Hidravlične poteznice oz. rimske matice so vse bolj nepogrešljive na vsakem traktorju, še posebej pri plugih za oranje zemlje, kjer je možna natančna nastavitev pluga. Posebno koristne so tudi pri planirnih deskah za zemljo, kot tudi traktorskih viličarjih, kjer jo koristimo za nagib, in pa pri platojih celo za kipanje tovora.

Kako izbrati pravo hidravlično poteznico za svoj traktor?
1. KORAK: Koliko konjev ima traktor, na katerem bo poteznica uporabljena?
1. kategorija: za traktorje od 20 do 55 HP (15 - 40 kW)
2. kategorija: za traktorje od 45 do 95 HP (35 - 70 kW)
3. kategorija: za traktorje od 80 do 210 HP (60 - 155 kW)
4. kategorija: za traktorje od 180 do 380 HP (135 - 285 kW)
Sicer je smiselno razmisliti tudi za kakšen priključek bo poteznica uporabljena, saj npr. pri 100 KM traktorju ne potrebujemo poteznice kategorije 3, če jo bomo uporabljali recimo za traktorski plato, ki ima max. nosilnost 1500 kg.
2. KORAK: Kakšne luknje za sornik (»traktorski klin«) mora imeti poteznica?
1. kategorija: Luknje 19,2 mm ali 25,4 mm
2. kategorija: Luknje 25,4 mm
3. kategorija: Luknje 25,4 mm ali 32,4 mm
4. kategorija: Luknje 45,2 mm ali 32,4 mm
Možna je uporaba tudi reducirja, ki zagotovi, da lahko eno poteznico uporabljamo na več različnih traktorjih oz. priključkih
Pri avtomatskih poteznicah oz. poteznicah special se luknje določajo z kroglo, ki se vpne v hitri vpenjalni kavelj na poteznici.
3. KORAK: Ustrezna dolžina poteznice oz. hod poteznice.
Nekako ni pravila oz. bolje rečeno ni točno določenega standarda, koliko hoda mora imeti hidravlična poteznica za posamezen tip traktorja. To je predvsem odvisno od tipa traktorja in traktorskih priključkov za katere je namenjena. Običajno se uporablja za več traktorskih priključkov, s katerimi razpolagamo, zato je potrebno določiti nekakšno dolžino, ki bo primerna za večino teh. Običajno je najbolj enostavno izmeriti navojno poteznico, ki je na traktorju že od prej. Glede na stisnjeno dolžino navojne poteznice (meri se center lukenj) poiščemo najbližjo hidravlično poteznico in tako vidimo maksimalno oz. raztegnjeno dolžino in njen hod.
Standardni hodi poteznic so:
- 160 mm
- 210 mm
- 280 mm
- 340 mm
- 400 mm
Dolžine poteznic z enakim hodom so nato odvisne od samega tipa.
4. KORAK: Izbira tipa poteznice.
- standard poteznica
(uporabi se pri običajnih traktorjih)
- avtomatska poteznica
(uporabi se v kolikor so na traktorju nameščene kljuke za hitro vpenjanje na spodnjih nosilnih rokah)
- special poteznica
(za večjo amplitudo gibanja levo-desno)
- navojna poteznica
(dolžino poteznice lahko podaljšate še za dolžino navoja)
Hidravlične poteznice so primerne za traktorje:
Zetor, Fendt, Deutz-Fahr, Massey Ferguson, Fiat, John Deere, Case, Renault, IMT, Ursus, Steyr, Hürlimann, Lamborghini, Same, Landini, Valtra, Class, New Holland, Caterpillar, Bobcat, Volvo, Carraro, Yanmar, Štore, Lindner, Solis.







